Alternate Text 021-66955886
SKF62312-2RS1
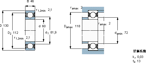
  • 型号:62312-2RS1
  • 旧型号:- -
  • 厚度(B):46
  • 品牌:瑞典SKF轴承
  • 内径(d):60
  • 额定转速:--
  • 系列:
  • 外径(D):130
  • 极限转速:--
  • 静负荷:--
  • 动负荷:--
  • 备注:--

产品咨询

021-66955886

产品详情


Copyright © 2022 上海旭恒达机械设备有限公司
Copyright © 2021上海旭恒达机械设备有限公司
在线客服
服务热线

电话:021-66955886

姚先生:19901856568

郭小姐:15221288196

高先生:13661809866

邮箱

2029961772@qq.com

上班时间

周一至周六

微信客服